Skip to primary content
Boomerdownunder
Railroad author
Search
Main menu
Home
About
Contact
Publications
Reading
Trivia
Tech Stuff
Images
News
Video
Instruction
Disposal
Image navigation
← Previous
Next →
Published
June 8, 2017
at
760 × 770
in
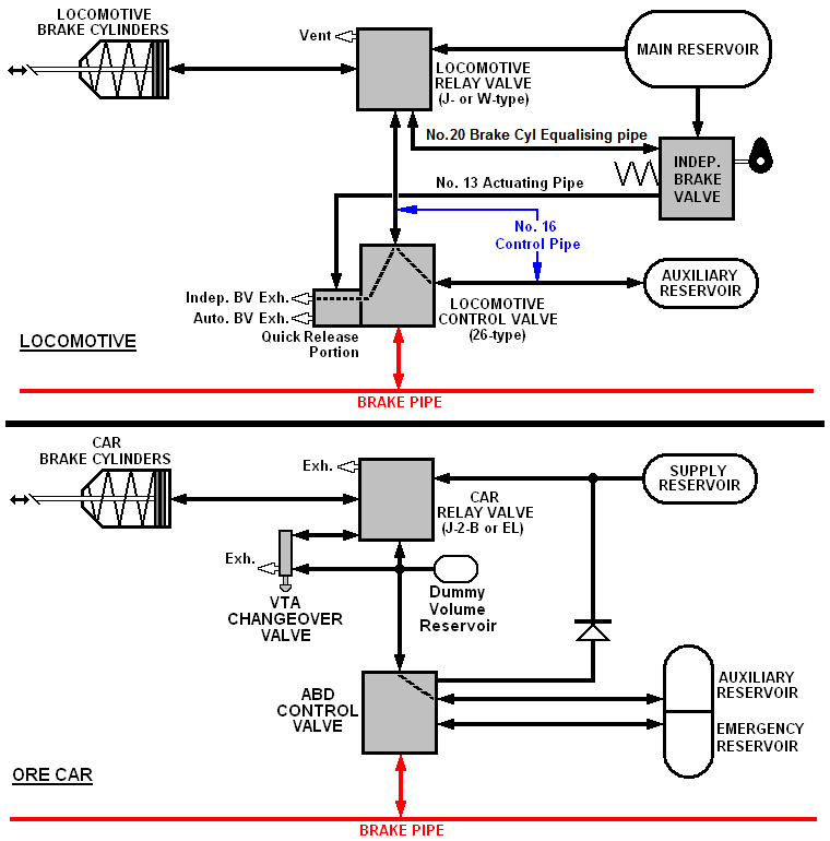
Figure 11: Air brake operational similarity, Loco v Car
Leave a comment
Cancel reply
Δ
Comment
Boomerdownunder
Sign up
Log in
Copy shortlink
Report this content
Manage subscriptions