Locomotive air compressor

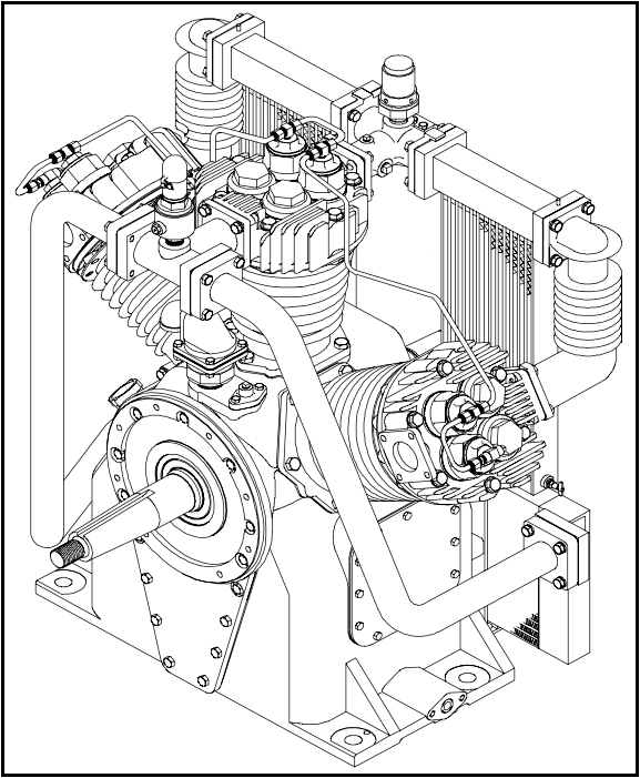
Figure 1: Wabco 3CDCLA Air Compressor with Bypass. The model designation is derived thus:
3 – number of cylinders,
C – Compound-type,
D – Direct-Drive,
C – indicates shortened stroke, 41/8” versus 55/8”,
L – large oil capacity crankcase (65 quarts/61.5 liters),
A – compressor with an integral aftercooler.

This WABCO 3CDC Type Air Compressors is equipped with an integral aftercooler that reduces the temperature of the compressed air to near ambient temperatures. Aftercoolers equipped with a bypass pipe (as seen here) provide additional protection during cold temperature operation. The high pressure discharge header has a built-in orifice that interfaces with the aftercooler bypass pipe. In the event of a restriction in the aftercooler caused by frozen condensate, the high pressure discharge is directed through the orifice to the aftercooler discharge and into the pipe connection to the No. 1 main reservoir.

2 thoughts on “Locomotive air compressor

Leave a comment