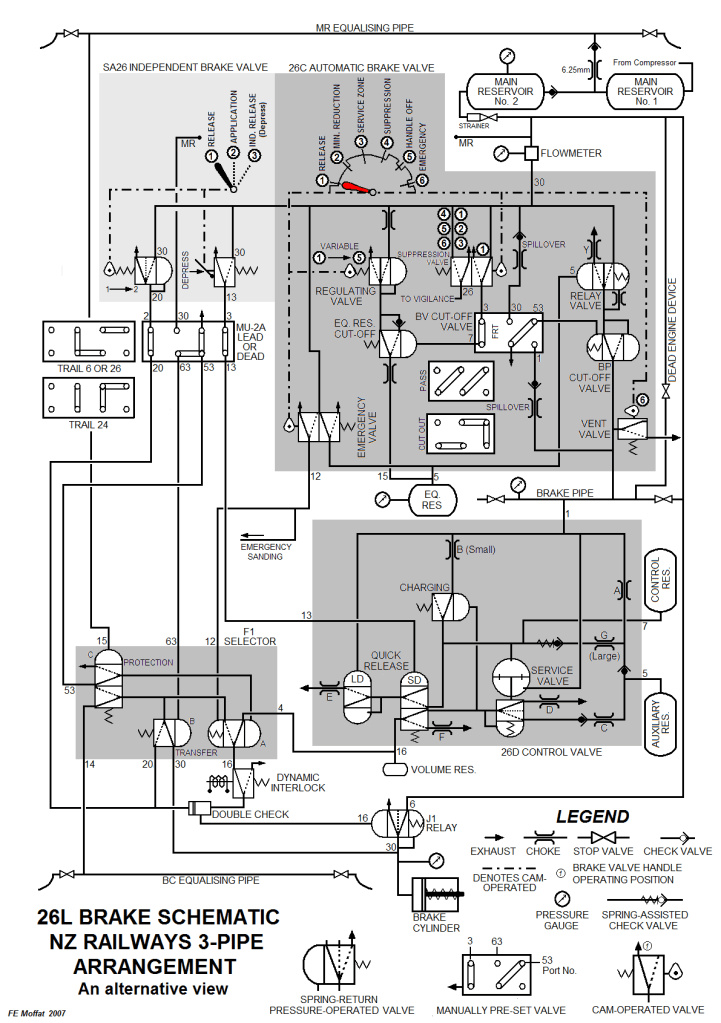
NZR 26L diag after Published June 2, 2017 at 1191 × 1691 in NZR 26L diag after Figure 7: NZR P&ID 26L air brake schematic – After