Dash7 ControlConsole proposal3

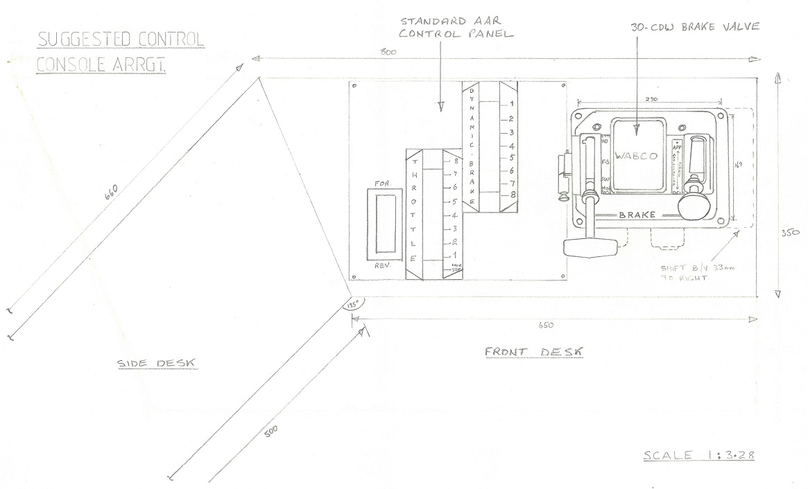
This proposal was an attempt to bring new air brake valve technology and a flat control desk arrangement into the cab. The concept suggested using the standard GE controller switch panel oriented horizontally. This idea was actually adopted, some years later, by Westrail in their P Class GE Dash 8s built by A. Goninan & Co.

Leave a comment